石材產品有許多是通過粘接方式加工出來的,如加厚邊臺面板,腳座、板材復合的線條,轉角的粘接等等產品。這些通過粘接加工出來產品如果縫隙大于了0.5mm,或者崩邊了,加工出來產品因縫隙大,表面崩邊了影響產品質量,造成產品因縫的質量問題報廢。
石材產品的粘接縫雖然僅是一條小小的不起眼的線,但是如果石材產品生產加工中不重視會帶來不小的麻煩的,可能會因縫的處理的質量差引起客戶對產品質量的投訴,退貨。
圖1因為縫處于石材表面的正面上,縫寬、縫的膠的顏色不對。石材生產企業只要在石材產品生產過程通過一些技術手段將粘接的縫“藏”好,使原來處于醒目處的縫隱蔽或隱藏起來,這些通過粘接加工出來的產品質量不會因縫的質量劣而影響產品的質量,加工出來的產品質量更加完美。

那么,石材產品生產加工時如何藏縫呢?
1、側邊藏縫
側邊藏縫法就是將粘接縫放置在產品側邊,是石材產品粘接加工工藝常用的藏縫方法,也是應用較廣的一種方法,尤其是在建筑物的窗臺板加工中的加厚邊常用這種方法藏縫,見圖3。
圖2這種方法是臺面板早期使用很普遍的方法,目前也還在使用的臺面板粘接方法。這種方法相比圖3而言,因為縫是留在正面,如果加工不好的話,對產品質量的影響很大,影響外觀質量,尤其是對那些易崩邊的石材來說這種方法做出的產品質量很差。


前幾年,國內一家知名地產企業所有窗臺臺面板的加工采用圖2加工,后來建議該企業采用圖3加工,經過很長時間努力說服,才同意了按圖3藏縫法加工。圖2的方法加工從加工工藝上來說也不是很合理,因為對做二次背倒加工,粘接作業相對圖3來說也復雜些,粘接強度也沒圖3牢固。
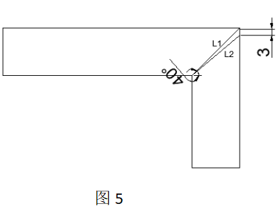
圖4是從圖2衍生出來的的一種藏縫方法,通過改變背倒的角度將縫留在側面,這種方法在公裝項目中很流行。不過這種藏縫方法對加工的精度要求高。

從圖5可以看出來通過將L1的角度由原來的45°調整為40°,使正面的縫轉為側面的縫,可以使粘接的縫效果更好。

2、底面藏縫
底面藏縫我認為是一種很好的藏縫方法。圖3的側面藏縫方法既是一種側面藏縫法,也是一種底面藏縫法。
如果圖6的藏縫演變為圖7,將粘接立板偏移2mm,藏縫的效果更好,而且可以不用對粘接面打磨拋光,省去了打磨拋光工序。
圖7的方法曾經成功地應用在土庫曼斯坦總統府酒店工程上,節省了大量的人工打磨拋光側面的工作。圖8是法國邊粘接的側邊藏縫。

3、抽槽藏縫
抽槽藏縫是通過對粘接板表面抽5*5的槽藏縫的工藝方法。通過抽槽消除粘接后粘接面的不平整,減少打磨拋光粘接表面。圖9抽槽藏縫 。

4、臺階藏縫
以臺階的方式粘接板材,通過將粘接縫隙放在臺階相交面處,從而把縫隱蔽起來。圖10為臺階藏縫。

5、偏移藏縫
把被粘接的板材從面板齊平之處往內偏移一定距離來藏縫的工藝方法。圖11,圖12偏移藏縫。

6、磨邊藏縫
在粘接相交面處,對粘接面磨V型邊,抽槽邊,消除表面的粘接縫,使粘接縫藏在V型邊,槽里邊,使粘接縫效果更好,同時增加了產品立體感。圖13,圖14磨邊藏縫。

7、鑲嵌藏縫
利用鑲嵌式方式藏縫的方法。做法是對線條的底面抽L型槽,把線條的槽與板材粘接在一塊的藏縫方法。
鑲嵌藏縫法既使粘接縫隙的質量好,又使產品粘接強度高。圖16、圖17鑲嵌藏縫。

7、板材復合線條藏縫
隨著家庭裝修項目的興起,家庭裝修項目中的背景墻,門套產品里既有板材產品,也有線條異型產品,這要求板材、線條產品的顏色、紋理的一致。要做到這點,線條只能通過板材復合的方式加工才能保證板材、線條顏色、紋理的一致性。
因此用板材復合線條時要特別注意粘接縫的藏縫,使粘接縫隙不要出現在線條的正面上。文中上面的闡述的7點藏縫方法對線條復合的藏縫有很大的幫助。
圖18、圖19是同樣的線條兩種藏縫方法。我的看法是圖18方法優于圖19,因為圖19的藏縫法在側面有一條縫隙,而圖18的方法利用圖形的特點,將粘接縫放在了線條造型面處,與線條“渾然一體”了,很難看到粘接縫了。

石材產品的粘接藏縫的方法遠非文章介紹的幾點,還有許多的方法待挖掘,完善。只要你用心鉆研,在生產實踐中可以發現更多,更優的石材粘接的藏縫方法。
圖20西安園林會議中心抽槽藏縫L型粘接產品。

作者:晏輝
客服熱線:











