二十多年的生產管理實踐工作令筆者感覺看圖的確是石材產品生產加工中一項基礎而又非常重要的生產活動,是石材生產企業生產員工必須掌握的基本技能,對生產員工的幫助作用太大了,是生產員工不可缺少的立足于石材行業的看家本領,和他人一較高低的秘密武器,掌握了看石材產品生產加工中的圖紙您就可以成為了石材產品生產加工中的“武林高手”,在石材行業的職場里為佼佼者了。

石材產品生產加工中要看許多的圖:橋切工要看排板圖和紋理圖切板;排板人員要看排板圖排板,畫磨邊線;機加工人員要看平面圖、立面圖、剖面圖磨邊、造型;打磨工人要看平面圖、立面圖、剖面圖磨邊、手工造型,打磨拋光線條等產品;產品檢驗人員要看平面圖、立面圖、剖面圖、拼接關系圖檢驗產品。圖紙是石材產品生產加工的基礎,與石材產品生產活動密切相關,是石材產品生產不可缺少的技術交流媒介,缺少了圖紙石材產品生產活動就無法進行,不能制造出符合建筑裝飾所需要的產品。

石材產品生產中圖紙非常重要,看圖和識圖是石材產品生產不可缺少的一項活動,看圖和識圖不僅是石材產品生產中的一項最基礎的工作,也是銷售人員,從事產品報價人員報價的前提條件。如果在報價時不能很好的理解、看明白圖紙,報出的價格就有可能過高或過低,甚至可能出現嚴重的錯誤,從而失去承接工程的機會。因此,無論是產品報價人員還是石材產品生產人員,非常有必要加強識圖方面的學習,以期不斷提高識圖、看圖的能力和水平,最終達到提升報價業務水平和生產技術水平的能力,提高工作效率。
本文在發表在《中國石材網》公眾號前5篇文章的基礎上,再對石材產品識圖、看圖做個全面總結,從本篇中讀者可以對石材產品如何識圖、看圖有個全面的基本了解。
1、圖的基本概念
石材產品加工中涉及到的圖很多,但最密切相關的圖主要有視圖的基本概念、軸測圖、效果圖、裝配圖(安裝圖)。
1.1視圖
所謂視圖是一種平面圖,是物體在某個平面上的投影,是構成物體的所有表面的投影總和。形象的說,就是一組平行光垂直照射物休體,在地面上或墻面上形成的影子,通過用一定的點和各種實線與虛線等不同線型來書面表達,以便能更好的認識要表現的物體對象。視圖不僅大量應用在機械制造、建筑裝飾上,也被大量應用在石材產品的加工上,是石材產品制造上經常使用和不可缺少的加工工藝術語。
機械識圖知識里共有六個基本視圖:
(1)主視圖—由正前方向后投影所得的視圖。
(2)俯視圖—由上向下投影所得的視圖。
(3)左視圖—由左向右投影所得的視圖。
(4)右視圖—由右向左投影所得的視圖
(5)仰視圖—由下向上投影所得的視圖。
(6)后視圖—由后向前投影所得的視圖。
在平面上表達一個物體的形狀,一般情況下用三個視圖基本上可以表達清楚,即主視圖、府視圖與側視圖(也可稱左視圖或右視圖),如圖示一為一個物體的三視圖及實物圖。石材行業工程技術部門為清楚地表達物體形狀,繪制的加工圖紙就是用三視圖來表達的。
以圖1、圖2為例,主視圖、后視圖;俯視圖、仰視圖;左視圖、右視圖的投影視圖是一樣的,它們的差別僅在投影線上不一樣,有些交線在后視圖、仰視圖、右視圖中變成了虛線,參照圖1與圖2對比。

圖1 視圖構成圖

圖2
1.2軸測圖
軸測圖,是一種立體圖,它的直觀性比較強,容易看懂,能很好反映物體的真實形狀,但真實尺寸不能反映齊全,生產中比較少用它,只是有時候可以作為輔助看圖圖樣提供生產員工看。如圖3所示為物體的軸測圖。對一些復雜的石材產品繪制出軸測圖使生產員工更容易看懂產品結構,更利于生產加工。因為一些產品需要通過多個視圖才能建立立體空間的形狀,對大多數未接受過視圖培訓的員工來說是很難做到的,有了軸測圖后再結合三視圖生產員工就看得更明白了。

圖3 軸測圖
1.3效果圖
效果圖在石材行業經常出現,是以建筑裝飾物的實際效果所繪制的圖。設計者為表達其設計意圖和構思進行形象化展現的形式,主要功能是將平面的圖紙三維化,仿真化,通過高仿真的制作,來檢查設計方案的細微瑕疵或進行項目方案細節修改,觀察設計方案的真實效果。通常情況下裝修設計公司可根據效果圖推薦石材品種、展示石材裝飾的實際效果,確定重要立面、重要部位等場所。

圖4效果圖
1.4裝配圖
裝配圖也稱安裝圖,表示石材產品相互安裝關系的圖。圖5~圖7為裝配圖,通過看這3個圖生產員工才明白如何加工出一套粘接產品。

圖5 裝配平面圖

圖6 裝配剖面圖

圖7 裝配剖面圖
2、生產加工單中識圖
生產加工單就是工程技術部門根據現場繪制的草圖或客戶提供的施工圖紙深化而成的圖紙,生產部可直接用于參照生產。生產加工單圖紙構成:平面示意圖,地面圖,墻面立面(展開)圖;剖面圖;節點圖;拼接關系圖;大樣圖;磨邊示意圖;圖示說明等。
2.1、平面布置示意圖
平面布置示意圖生產加工單上必備之圖,反映出建筑物整體和室內布局及石材各個裝飾面之間的關系,決定著加工過程中如何選用材料,如何將材料布置在那個位置,那個部位用好料,那個位置用次料。如圖9為某工程衛生間平面示意圖。從圖8中可以看出里面的物體布置情況和面的布局情況。圖中的A、B1、B2、C、D表示在該空間內立面分布的情況。

圖8 某衛生間平面布置示意圖
2.2、墻面立面(展開)圖
墻面立面(展開)圖生產加工單上必備之圖,體現裝飾面上各個部件之間的關系,尺寸關系、各個部件加工成什么形狀,磨什么類型的邊,反映出裝飾面的整體效果。圖9為某工程石材裝修主衛生間的展開圖,表現了A、B、C、D、E五個立面展開后的相互連接關系。在這些面的相互連接中可以通過直碰連接,也可以通過陰角、陽角方式連接。

圖9 墻面立面展開圖
2.3、平面圖
表示石材產品水平面方向產品相互關系的圖,也是石材生產加工單常用之圖。平面圖與平面布置圖有相似之處,也有本質差別。經過工程技術部深化后的生產加工單上的平面示意圖較建筑平面布置圖上的內容簡單一些,通常情況下只將與石材加工相關的內容繪在上面,方便生產部參考,特別是配料員參考作用料計劃。平面布置圖上繪制了不僅與石材有關的產品,還將其它與石材產品無關的東西也繪制在了上面。比如廚柜、洗手臺、沙發產品也繪制在了平面圖上。生產加工時依據平面布置圖的情況未被物體壓住之處使用好料,被物體壓住之處使用一般的料或顏色紋理有差異的料。圖10為石材產品加工中常見的平面圖。

圖10 石材產品地面平面圖
2.4、剖面圖
剖面圖假想用切面將線條在橫斷面上垂直剖開,剖開后在橫斷面上產生的圖形。并用A-A表示剖切處的位置及標示編號,用↓表示剖切方向。必要的話,在剖面圖的兩側標明內、外。剖面圖為石材產品加工中使用頻率很高的圖形。圖11為拼接關系圖與剖面圖。

圖11 拼接關系圖與剖面圖
2.5、節點圖
節點圖有時也稱“大樣”圖,是表明建筑構造細部的圖,是兩個以上裝飾面的匯交點,按垂直或水平方向切開,以標明裝飾面之間的連接方式和固定方法。圖12 為節點圖。

圖12 節點圖
2.6、大樣圖
圖13表示為節點圖,一般節點圖表現多個物體之間的具體施工構造;圖14表示大樣圖,按照字面上理解就是放大的意思。而大樣圖相對節點圖更為細部化,對設計中一些細部的重點放大交待、表達,也就是放大節點圖所無法表達的效果。圖13節點圖較難表示出 A線條的細部效果,用圖14大樣圖表示,效果更好,只有通過進一步放大,才能更具體的表現和說明圖形中的具體造型尺寸,用這種方式表現的圖形就是大樣圖。

圖13 & 圖14
2.7、平面展開圖
將空間物體的構成面按平面展開的圖。圖15為立方體,其按面展開時如圖16,稱為正方體的展開圖。

圖15

圖16
2.8、圓弧面立面展開圖
圓弧面立面展開圖將圓弧空間立面展開在同一個平面上的圖。立面展開圖是為了更好體現空間不同立面之間的關系,將它們展開在同一個平面上。圓弧面立面展開圖還應該繪制出立面的剖面圖,以展示圓弧面各件產品的加工要求。圖17圓弧面立面展開圖的右邊繪制出了剖面圖,反映了各件弧板的加工技術要求。

圖17 圓弧面立面展開圖
2.9、拼接關系圖
拼接關系圖表示產品安裝順序與方向連接關系的圖。是生產加工中非常重要的圖,拼接圖的編號由字母或數字構成,并用箭頭標示安裝方向。

圖18 拼接關系圖
2.10、軸測圖
對一些加工復雜,難以用三視圖表達清楚的組合加工產品,生產加工單上要提供必要的軸測圖。繪制軸測圖對于復雜的柱類產品、背景墻產品、壁爐產品及墓碑石產品的加工非常有用。圖19的產品如果用三視圖表達的話能夠看懂的人不會多,配上該軸測圖理解就容易多了。

圖19 軸測圖
2.11、安裝圖(裝配圖)
生產加工單上要有石材產品安裝圖(裝配圖),安裝圖可以指導生產員工準確地了解所加工的產品部件中那些尺寸是關鍵尺寸,加工時必須保證加工精度;那些邊、那些面要做什么樣的磨邊,什么樣的加工;各件產品之間的裝配關系,生產加工時那些產品必須在工廠試拼接、試安裝。圖20、圖21將產品之間的安裝關系準確地反映在裝配圖上。

圖20 & 圖21
2.12、局部放大圖
由于一些剖面圖或大樣圖過小,按1:1繪制在圖紙上的打印出來時根本看不清,需要按一定比例放大繪制出來打印在圖紙上方可以看清出。這種放大的圖稱為局部放大圖。圖23為圖24原圖尺寸的放大圖。局部放大圖一般會標注上放大比例,并用圓圈圈出來。在《生產加工單》中只要看到用圓圈圈出來的剖面圖,可以認為是局部放大圖,生產加工時可以參考此圖加工了。

圖22 扶手拼接圖

圖23 扶手剖面放大圖

圖24 扶手原圖尺寸
2.13、磨邊圖
表示磨邊的圖稱為磨邊圖,既可以用剖面圖的形式表示,也可以用各種線型表示。通常用各種不同的線型來表達磨邊圖。
圖示說明:說明材料品種,加工要求,分箱計劃等。
常見磨邊圖:

圖25
圖示說明:在生產加工單附圖上,經常看到在立面圖、大樣圖邊上或下面有下圖所示的符號,這些符號都有其特定的意思,表示在加工過程中所要加工的邊的形狀。圖26是生產加工單中常用的表示產品磨邊的圖,用線型符號表達,并在圖的邊上再配有對應線型的說明。圖27、圖28、圖30是線型符號有及說明,圖29、圖31是對應線型的磨邊剖面圖。圖32~圖36均是經常用到的磨邊線型符號。

圖26


▽:表示見光面符號;—---—:表示見光面或見光邊符號。
3、《生產加工單》上識圖案例
通過一些石材產品加工圖來了解石材產品看圖的步驟,如何識圖。
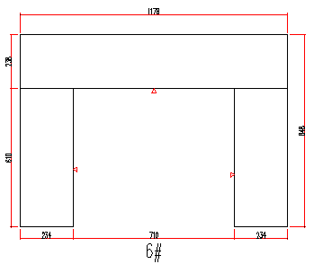
3.1墻面板識圖
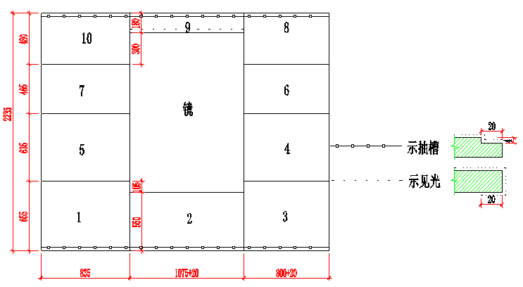
圖37雖然是個很簡單的墻面板立面圖,但已經具備了墻面板產品平面圖的各要素了,再復雜的墻面板圖也是如此了。看圖時先看是那個立面,再看立面的尺寸,加工項目內容。C立面上下兩排板,編號為1、2、3、8、9、10的需抽20*4的槽,其中9的下邊需磨見光邊。

圖37 公衛墻面C立面圖
3.2地面板識圖
圖38為廚房地面板平面圖。看圖時先看總長度6200、再看總寬度3650;看石材名稱及紋理方向;隨后看分段尺寸;看產品細部的加工尺寸;看產品編號。

圖38
3.3門套識圖
圖39為一套彎位的門套圖。看門套的方法先看的總平面圖或拼接圖;看剖面圖大樣;看各部件尺寸。

圖39
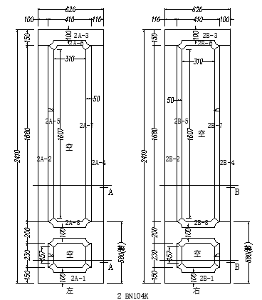
3.4方柱和圓柱識圖
方柱和圓柱按柱座、柱身、柱頸、柱腰、柱頭結構順序看圖就可以看懂圖了。圖40為方柱圖;圖41為圓柱圖。

圖40

圖41
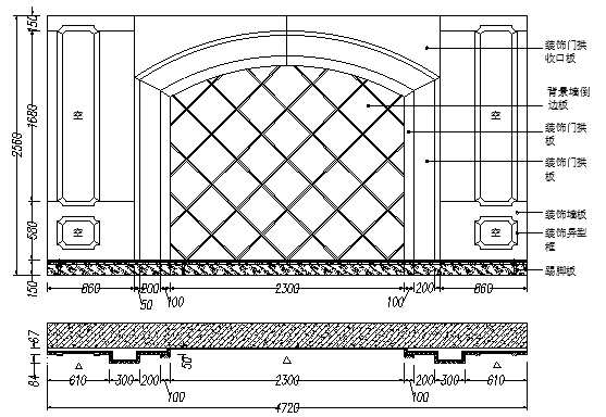
3.5背景墻識圖
復雜的背景墻產品識圖難度很大,由一系列的分解圖構成,生產加工時必須看全所有的圖才知道背景墻的結構,加工出符合要求的背景產品。

圖42

圖43

圖44

圖45

圖46

圖47
3.6服務臺識圖
復雜的服務識圖難度很大,由一系列的分解圖構成,生產加工時必須看全所有的圖才知道服務臺的結構,加工出符合要求的服務臺產品。

圖48 服務臺總圖

圖49

圖50

圖51

圖52
3.7壁爐識圖
壁爐也是一種石材可裝配產品中加工工藝非常復雜的一種產品,看懂壁爐圖有些難度,需要多個圖對照才能弄懂。
看壁爐圖先看總裝配圖,按照總裝配圖上的部件編號弄明白各部件之間的關系,尋找各部件編號的拆分圖。

圖53 壁爐總裝配圖

圖54

圖55

圖56

圖57

圖58

圖59
4、家裝工程識圖
圖60~圖68為某家裝項目的一個衛生間里的產品圖。從這9張圖里可以了解家裝項目的一些產品圖紙的構成。
4.1平面布置圖
圖60為15F公衛的平面圖。從圖中可以了解到該公衛的大小尺寸,有A、B、C、D四個面構成。

圖60
4.2地面平面圖
圖61為地面平面圖,從圖中可以知道里面有門檻石、擋水板、踏步立板加工。從擋水板剖面圖知道擋水板需要粘接加工,截面尺寸60*40,磨5*5斜邊。

圖61
4.3 15F公衛墻面C立面
看圖時先看是那個立面,再看立面的尺寸,加工項目內容。C立面上下兩排板,編號為1、2、3、8、9、10的需抽20*4的槽,其中9的下邊需磨見光邊。

圖62 15F公衛墻面C立面
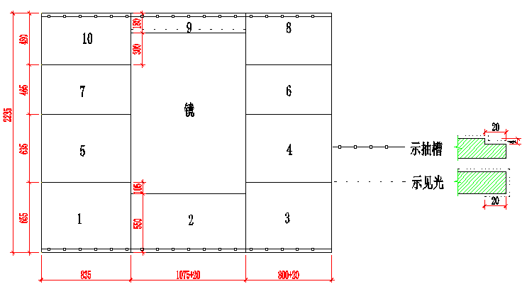
4.4洗手臺平面圖
圖63為15F公衛洗手臺的平面圖。
從平面圖可以看出該洗手臺盆孔的尺寸480mm*300mm;了解洗手臺周邊板材的尺寸和加工方式。

圖63 洗手臺平面圖
4.5洗手臺立面圖
圖64為洗手臺立面圖,從立面圖可以洗手臺的結構、產品間的安裝關系。

圖64 洗手臺立面圖
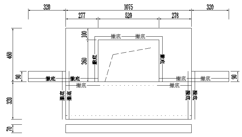
4.6洗手臺分件圖
圖65為洗手臺的分件加工圖,從圖可以看出這件產品撇底45°粘接加工。
圖66、67、68 洗手臺分件加工圖,圖上均標有加工要求說明。

圖65 洗手臺的分件圖

圖66 洗手臺分件加工圖

圖67 & 圖68
作者:晏輝
客服熱線:











